/media/crossbase/fot_pro_per_7120g__sall__ainfs__v1.jpg_lj_366x382.jpg
/media/crossbase/zei_pro_sch_7120g000__sall__ainfs__v1.jpg_lj_366x382.jpg
/media/crossbase/fot_pro_per_7120g__sall__ainfs__v1.jpg_lj_366x382.jpg
/media/crossbase/zei_pro_sch_7120g000__sall__ainfs__v1.jpg_lj_366x382.jpg

filter

figure 712 0G

  • mechanically acting, manual backwash filter
  • internal parts made of gunmetal, stainless steel and plastic
  • with differencial pressure controlled pollution indicator for maintenance

Product Features

  • mechanically acting, manual backwash filter
  • internal parts made of gunmetal, stainless steel and plastic
  • with differencial pressure controlled pollution indicator for maintenance
  • opaque filter housing to prevent algae growth
  • with manual backwash function for filter cleanup under operation
  • can be retrofitted with optional pressure reducing valve cartridge DM
  • expandable to a PRV-filter combination DMF by use of optional PRV cartridge DM
  • male union thread
  • exchangable filter cartridge
  • rotatable drain according to EN 1717
  • free from dead spots
  • for horizontal and vertical installation, drain valve down
  • adjustable month indicator for next maintenance
  • incl. allen key
  • incl. gunmetal base module
  • maintenance requirements in accordance with DIN EN 806-5 must be complied with

Standards & approvals

  • DVGW approval
  • according to accepted materials list from German environmental agency
  • up to DN 32 soundproofing certification according to DIN EN ISO 3822 Class 1
  • DIN EN 1213 / EN 13443 / part no. 7120G13200 deviant to DIN EN 13443-1

Technical data

  • pressure rating PN 16
  • max. operating temperature 30 °C
  • min. primary pressure 0.2 MPa
  • lower mesh 90 µm
  • upper mesh 125 µm
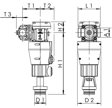
/media/crossbase/zei_pro_sch_7120g000__sall__ainfs__v1.jpg_lj_404xy.jpg
Part no. DN A1 D1
(mm)
D2
(mm)
H1
(mm)
H2
(mm)
L1
(mm)
T1
(mm)
T2
(mm)
T3
(mm)
flow at
0.02 MPa
flow at
0.05 MPa
kg
7120G01500 15 G 3/4 50 105 276 48 90 79 62 21 2.4 4.1 3.51
7120G02000 20 G 1 50 105 276 48 90 79 62 24 2.9 4.8 3.54
7120G02500 25 G 1 1/4 50 105 276 48 100 79 62 28 3.1 5.1 3.59
7120G13200 32 G 1 1/2 50 105 276 48 105 79 62 28 3.1 5.1 3.63
7120G03200 32 G 1 1/2 50 145 384 87 105 94 62 30 7.9 12.3 6.62
7120G04000 40 G 1 3/4 50 145 384 87 130 94 62 34 8.8 14.0 6.95
7120G05000 50 G 2 3/8 50 145 384 87 140 94 62 39 9.4 15.4 7.37

CAD models & characteristic curves

Part no. DN CAD model Characteristic curve
7120G01500 15 Show 3D data Show flow chart
7120G02000 20 Show 3D data Show flow chart
7120G02500 25 Show 3D data Show flow chart
7120G13200 32 Show 3D data Show flow chart
7120G03200 32 Show 3D data Show flow chart
7120G04000 40 Show 3D data Show flow chart
7120G05000 50 Show 3D data Show flow chart

Downloads

Data sheet
File type
Product data sheet
pdf
Instructions
File type
Installation and operating instructions for filters and pressure reducer-filter combinations
pdf (1.3 MB)
Brochures
File type
Building technology valves and systems
pdf (20.57 MB)