/media/crossbase/fot_pro_per_1340g__sall__ainfs__v1.jpg_lj_366x382.jpg
/media/crossbase/zei_pro_sch_1340g__sall__ainfs__v1.jpg_lj_366x382.jpg
/media/crossbase/fot_pro_per_1340g__sall__ainfs__v1.jpg_lj_366x382.jpg
/media/crossbase/zei_pro_sch_1340g__sall__ainfs__v1.jpg_lj_366x382.jpg

ETA-THERM thermostatic balancing valve, union thread, 62°C - 64 °C

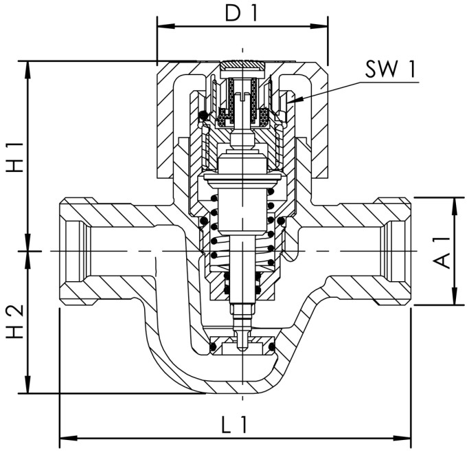
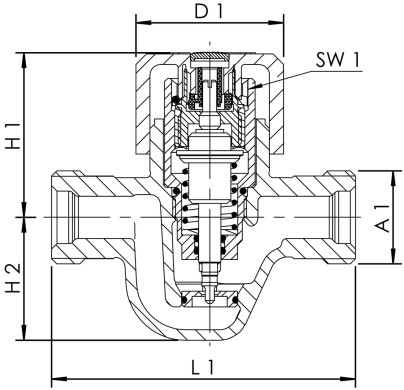
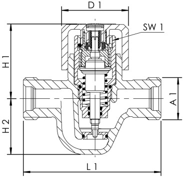
figure 134 0G

  • thermostatic balancing valve for hydraulic balancing of very short circulation circuits from kv-min ≥ 0.05
  • for hydraulic balancing of hot water return systems (PWH-C), supports thermal disinfection
  • wetted metal parts made from dezincification-free and corrosion-resistant gunmetal, resistant against aggressive water

Product Features

  • thermostatic balancing valve for hydraulic balancing of very short circulation circuits from kv-min ≥ 0.05
  • for hydraulic balancing of hot water return systems (PWH-C), supports thermal disinfection
  • wetted metal parts made from dezincification-free and corrosion-resistant gunmetal, resistant against aggressive water
  • PTFE seat gasket
  • maintenance-free EPDM spindle seal
  • thermostatic balancing unit
  • male union thread
  • handle grip with purple identification plate
  • free from dead spots
  • with isolating, balancing and pre-setting function

Standards & approvals

  • DVGW approval
  • ÖVGW approval
  • SVGW approval
  • for systems according to DVGW worksheet W 551 / W 553 / DIN 1988-300
  • according to accepted materials list from German environmental agency
  • ÜA-Reg.-Nr. R-15.2.3-21-17048, WIEN-ZERT

Technical data

  • control range 62 °C - 64 °C
  • pressure rating PN 16
  • max. operating temperature 90 °C
/media/crossbase/zei_pro_sch_1340g__sall__ainfs__v1.jpg_lj_404xy.jpg
Part no. DN A1 D1
(mm)
H1
(mm)
H2
(mm)
L1
(mm)
SW1
(mm)
cv
(m³/h)
kg
1340G01500 15 G 3/4 42 47 35 86.5 19 0.4 0.51

CAD models & characteristic curves

Part no. DN CAD model Characteristic curve
1340G01500 15 Show 3D data Show flow chart

Downloads

Data sheet
File type
Product data sheet
pdf
Instructions
File type
Installation and operating instructions ETA-THERM
pdf (1.83 MB)
Brochures
File type
Building technology valves and systems
pdf (20.57 MB)
Brochure balancing valves
pdf (3.04 MB)
Technical information
File type
Flow Diagram ETA-THERM
pdf (1.22 MB)