/media/crossbase/fot_pro_per_13501__sall__ainfs__v1.jpg_lj_366x382.jpg
/media/crossbase/zei_pro_sch_13501__sall__ainfs__v2.jpg_lj_366x382.jpg
/media/crossbase/fot_pro_per_13501__sall__ainfs__v1.jpg_lj_366x382.jpg
/media/crossbase/zei_pro_sch_13501__sall__ainfs__v2.jpg_lj_366x382.jpg

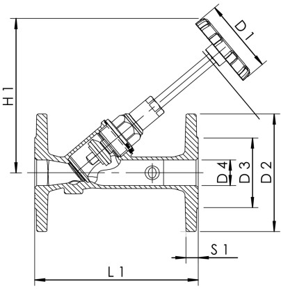
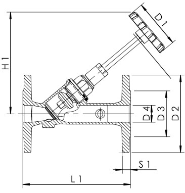
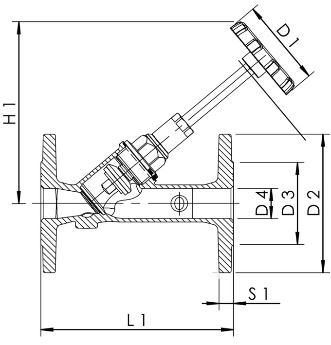
Freistrom-Absperrventil, ohne Entleerung, Flanschanschluss

Figur 135 01

  • mediumberührte Metallteile aus entzinkungsfreiem und korrosionsbeständigem Rotguss, beständig gegen aggressives Wasser
  • 10 Jahre Gewährleistung
  • wartungsfreie Spindelabdichtung mit selbstfettender EPDM-Lippendichtung, unter Druck austauschbar bis DN 80

Produktmerkmale

  • mediumberührte Metallteile aus entzinkungsfreiem und korrosionsbeständigem Rotguss, beständig gegen aggressives Wasser
  • 10 Jahre Gewährleistung
  • wartungsfreie Spindelabdichtung mit selbstfettender EPDM-Lippendichtung, unter Druck austauschbar bis DN 80
  • EPDM-Sitzdichtung
  • Kegel drehbar gelagert, gegen Druckschläge gesichert
  • Flanschanschluss
  • ohne Entleerung (keine Entleerung nachrüstbar)
  • Spindelgewinde außerhalb des Mediums
  • mit schwarzem Handrad
  • totraumfrei
  • mit Offenstellungsanzeige

Normen & Zulassungen

  • DVGW-Zulassung bis DN 80
  • WRAS-Zulassung
  • KIWA-Zulassung bis DN 100
  • VA-Zulassung
  • nach UBA KTW BWGL
  • nach UBA BWGL Metalle
  • bis DN 32 Schallschutzzulassung nach DIN EN ISO 3822 Klasse 1
  • DIN EN 1213 / DIN EN 558-1
  • ÜA-Reg.-Nr. R-15.2.3-21-17048, WIEN-ZERT

Technische Daten

  • Druckstufe PN 16
  • max. Betriebstemperatur 110 °C
/media/crossbase/zei_pro_sch_13501__sall__ainfs__v2.jpg_lj_404xy.jpg
Bestellnr. DN Anzahl Bohrungen D1
(mm)
D2
(mm)
D3
(mm)
D4
(mm)
H1
(mm)
L1
(mm)
S1
(mm)
Zeta kvs
(m³/h)
kg
1350102500 25 4 70 115 68 25 149 160 12 1 24,2 2,78
1350103200 32 4 70 140 78 32 173 180 13 1,2 37,7 4,07
1350104000 40 4 70 150 88 40 177 200 14 1,3 55,4 5,59
1350105000 50 4 90 165 102 50 221 230 14 0,8 112,5 6,44
1350106500 65 4 90 185 122 65 294 290 15 1,6 132,6 9,80
1350108000 80 8 120 200 138 80 327 310 16 1,4 216,3 12,15
1350110000 100 8 120 220 158 100 302 350 18 2,7 240 19,25

Downloads

Datenblatt
Dateityp
Produktdatenblatt
pdf
Prospekte
Dateityp
Gebäudetechnik Armaturen und Systeme
pdf (15,76 MB)
Prospekt Absperrventile
pdf (21,21 MB)
Technische Informationen
Dateityp
Produktdaten nach VDI 3805, Blatt 17
zip (0,1 MB)
Flanschanschlussmaße
pdf (0,06 MB)
Ersatzteilhandbuch 2024
pdf (4,88 MB)