/media/crossbase/fot_pro_per_56011__sall__ainfs__v1.jpg_lj_366x382.jpg
/media/crossbase/zei_pro_sch_56011__sall__ainfs__v1.jpg_lj_366x382.jpg
/media/crossbase/fot_pro_per_56011__sall__ainfs__v1.jpg_lj_366x382.jpg
/media/crossbase/zei_pro_sch_56011__sall__ainfs__v1.jpg_lj_366x382.jpg

Caractéristique du produit

  • pièces métalliques en contact avec le fluide en bronze résistante à la dézincification et à la corrosion, résistant à l'eau agressive
  • étanchéité de broche en EPDM sans entretien
  • joint de siège en EPDM
  • cône en acier inoxydable
  • corps de vanne en acier inoxydable résistant à l’usure
  • tige en plastique raccourcissable en continu
  • rallongeable en utilisant le kit de rallonge disponible en option
  • filetage intérieur
  • sans espace mort
  • ils permettent un blocage, une régulation et un pré-réglage

Normes et homologations

  • homologation SSIGE
  • selon les critères d’évaluation pour KTW du Ministère fédéral allemand de l’environnement
  • selon les critères d’évaluation pour les métaux du Ministère fédéral allemand de l’environnement
  • certification d’insonorisation selon la norme DIN EN ISO 3822 classe 1
  • DIN EN 1213
  • ÜA-Reg.-Nr. R-15.2.3-21-17048, WIEN-ZERT

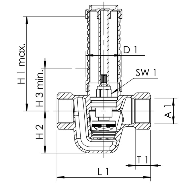
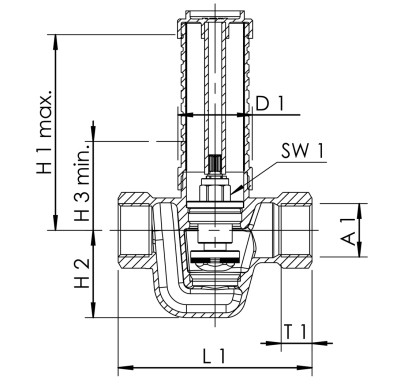
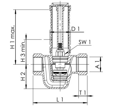
Données techniques

  • profondeur d’installation max. 110 mm
  • niveau de pression PN 16
  • température de service max. 100 °C
/media/crossbase/zei_pro_sch_56011__sall__ainfs__v1.jpg_lj_404xy.jpg
Numéro de commande DN A1 D1
(mm)
H1
(mm)
H2
(mm)
H3
(mm)
L1
(mm)
T1
(mm)
Zeta kvs
(m³/h)
kg
56011015CH 15 Rp 1/2 38,5 110 37 55 80 15 2,7 5,4 0,56
56011020CH 20 Rp 3/4 38,5 110 35 55 90 16,3 6,9 6 0,63
56011025CH 25 Rp 1 46 120 54 55 120 19,1 4 12,3 1,12

Modèles CAO et courbes caractéristiques

Téléchargements

Fiche de données
Type de fichier
Fiche technique du produit
pdf
Instructions
Type de fichier
Instructions de montage et d'utilisation des vannes encastrées UP-PLUS
pdf (1,11 MB)
Informations techniques
Type de fichier
Diagrammes de débit de la vanne encastrée UP-PLUS
pdf (0,11 MB)