/media/crossbase/fot_pro_per_85500001__sall__ainfs__v1.jpg_lj_366x382.jpg
/media/crossbase/zei_pro_sch_85500001__sall__ainfs__v1.jpg_lj_366x382.jpg
/media/crossbase/fot_pro_per_85500001__sall__ainfs__v1.jpg_lj_366x382.jpg
/media/crossbase/zei_pro_sch_85500001__sall__ainfs__v1.jpg_lj_366x382.jpg

base plate for stop valve water meter combination CLASSIC for figur 855 27 and figur 885 27

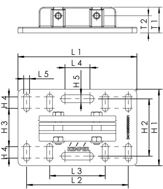
figure 855 00 001

  • made of black plastic
  • to be connected at the lug of the water meter combination bodys type CLASSIC
  • sound decoupling with sidewise bolts

Product Features

  • made of black plastic
  • to be connected at the lug of the water meter combination bodys type CLASSIC
  • sound decoupling with sidewise bolts
Part no. H1
(mm)
H2
(mm)
H3
(mm)
H4
(mm)
H5
(mm)
L1
(mm)
L2
(mm)
L3
(mm)
L4
(mm)
L5
(mm)
T1
(mm)
T2
(mm)
kg
8550000100 80 60 50 12 8.3 124 106 58 26 6.2 27 18 0.12

Downloads

Data sheet
File type
Product data sheet
pdf
Brochures
File type
Building technology valves and systems
pdf (20.57 MB)