/media/crossbase/fot_pro_per_965__sall__ainfs__v1.jpg_lj_366x382.jpg
/media/crossbase/zei_pro_sch_965__sall__ainfs__v1.jpg_lj_366x382.jpg
/media/crossbase/fot_pro_per_965__sall__ainfs__v1.jpg_lj_366x382.jpg
/media/crossbase/zei_pro_sch_965__sall__ainfs__v1.jpg_lj_366x382.jpg

KTS ThermoTank S, Heizungspufferspeicher PN 6, mit Anschlüssen für Heizstäbe

Figur 965

  • in Sonderausführung zum zusätzlichen Anschluss von Elektro-Heizstäben
  • gedämmter Heizungspufferspeicher
  • zur Bevorratung von erwärmtem Heizungswasser

Produktmerkmale

  • in Sonderausführung zum zusätzlichen Anschluss von Elektro-Heizstäben
  • gedämmter Heizungspufferspeicher
  • zur Bevorratung von erwärmtem Heizungswasser
  • Leitblech zur turbulenzarmen Beladung
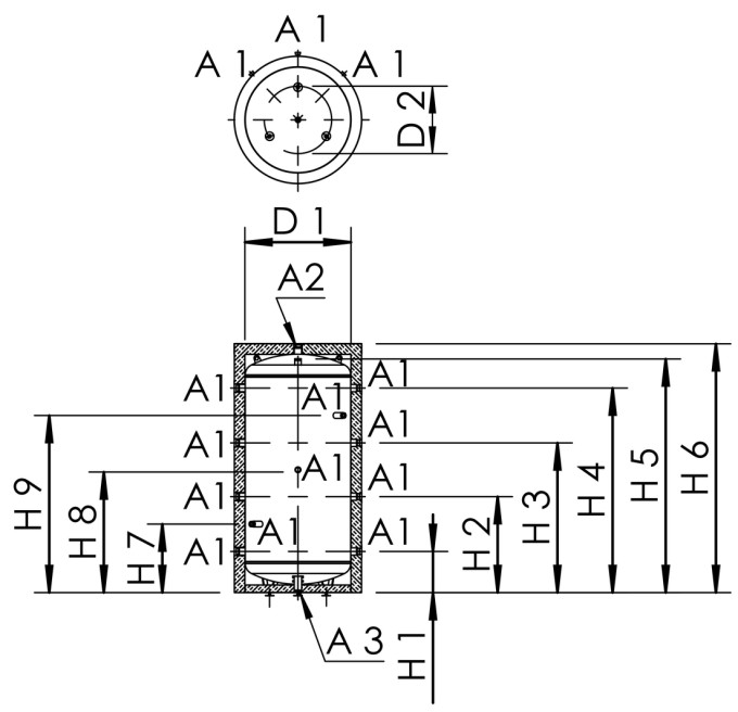
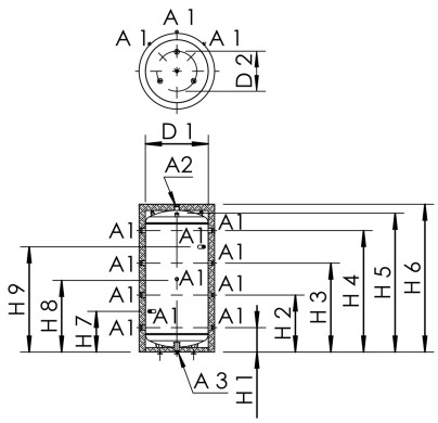
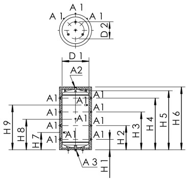
  • Speicher verfügt über 8 seitliche Anschlüsse, 1 oberen Anschluss sowie 3 zusätzliche, seitlich angeordnete Anschlüsse für den Einsatz von Elektro-Heizstäben
  • Innengewinde
  • Die maximal mögliche Länge der Heizpatronen entspricht dem Einbaumaß D1

Normen & Zulassungen

  • Baustoffklasse B1 nach DIN 4102

Technische Daten

  • Druckstufe PN 6
  • max. Betriebstemperatur 95 °C
  • Wärmeleitfähigkeit 0,0316 W/mK
/media/crossbase/zei_pro_sch_965__sall__ainfs__v1.jpg_lj_404xy.jpg
Bestellnr. Kippmaß
(mm)
Volumen
Betriebsmittel
(l)
A1 A2 D1
(mm)
D2
(mm)
H1
(mm)
H2
(mm)
H3
(mm)
H4
(mm)
H5
(mm)
H6
(mm)
H7
(mm)
H8
(mm)
H9
(mm)
T1
(mm)
Energieeffi-
zienzklasse
Warmhalte-
verluste (W)
kg
9650050000 1700 500 Rp 1 1/2 Rp 1 1/4 650 450 277 627 977 1327 1618 1670 452 802 1152 100 B 75 144,00
9650100000 2260 1000 Rp 1 1/2 Rp 1 1/2 790 700 301 821 1331 1851 2168 2220 561 1076 1591 100 C 110 214,00

CAD Modelle

Bestellnr. CAD Modell
9650050000 3D Daten anzeigen
9650100000 3D Daten anzeigen

Downloads

Datenblatt
Dateityp
Produktdatenblatt
pdf
Anleitung
Dateityp
Serviceanleitung
pdf (3,43 MB)
Einbau- und Bedienungsanleitung KTS Frischwasserstation
pdf (13,52 MB)
Prospekte
Dateityp
Gebäudetechnik Armaturen und Systeme
pdf (15,76 MB)
Prospekt KTS Frischwasserstation (M) PRO
pdf (2,91 MB)
Technische Informationen
Dateityp
Ersatzteilhandbuch 2024
pdf (4,88 MB)
Konformitätserklärung KTS ThermoTank
pdf (0,06 MB)