/media/crossbase/fot_pro_per_950_960_970__sall__ainfs__v1.jpg_lj_366x382.jpg
/media/crossbase/zei_pro_sch_96001500__sall__ainfs__v1.jpg_lj_366x382.jpg
/media/crossbase/fot_pro_per_950_960_970__sall__ainfs__v1.jpg_lj_366x382.jpg
/media/crossbase/zei_pro_sch_96001500__sall__ainfs__v1.jpg_lj_366x382.jpg

KTS ThermoTank S, Heizungspufferspeicher PN 6

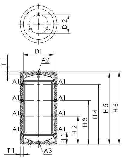
Figur 960

  • gedämmter Heizungspufferspeicher
  • zur Bevorratung von erwärmtem Heizungswasser
  • Leitblech zur turbulenzarmen Beladung

Produktmerkmale

  • gedämmter Heizungspufferspeicher
  • zur Bevorratung von erwärmtem Heizungswasser
  • Leitblech zur turbulenzarmen Beladung
  • Speicher verfügt über 8 seitliche Anschlüsse und 1 oberen Anschluss
  • Innengewinde

Normen & Zulassungen

  • Baustoffklasse B1 nach DIN 4102

Technische Daten

  • Druckstufe PN 6
  • max. Betriebstemperatur 95 °C
  • Wärmeleitfähigkeit 0,0316 W/mK
/media/crossbase/zei_pro_sch_96001500__sall__ainfs__v1.jpg_lj_404xy.jpg
Bestellnr. Kippmaß
(mm)
Volumen
Betriebsmittel
(l)
A1 A2 D1
(mm)
D2
(mm)
H1
(mm)
H2
(mm)
H3
(mm)
H4
(mm)
H5
(mm)
H6
(mm)
T1
(mm)
Energieeffi-
zienzklasse
Warmhalte-
verluste (W)
kg
9600050000 1700 500 Rp 1 1/2 Rp 1 1/2 650 550 277 627 977 1327 1618 1670 100 B 75 144,00
9600085000 2250 850 Rp 1 1/2 Rp 1 1/2 750 650 298 818 1328 1848 2163 2215 100 C 101 222,00
9600100000 2250 1000 Rp 1 1/2 Rp 1 1/2 790 700 301 821 1331 1851 2164 2215 100 C 110 214,00
9601100000 2050 1000 Rp 1 1/2 Rp 1 1/2 850 750 308 743 1173 1608 1949 2000 100 C 118 222,00
9600150000 2400 1500 Rp 2 Rp 2 1000 900 351 871 1381 1901 2274 2340 120 C 143 337,00
9600200000 2450 2000 Rp 2 Rp 2 1100 1000 368 888 1398 1918 2296 2360 120 C 160 427,00

CAD Modelle

Bestellnr. CAD Modell
9600050000 3D Daten anzeigen
9600085000 3D Daten anzeigen
9600100000 3D Daten anzeigen
9601100000 3D Daten anzeigen
9600150000 3D Daten anzeigen
9600200000 3D Daten anzeigen

Downloads

Datenblatt
Dateityp
Produktdatenblatt
pdf
Anleitung
Dateityp
Serviceanleitung
pdf (3,43 MB)
Einbau- und Bedienungsanleitung KTS Frischwasserstation
pdf (13,52 MB)
Prospekte
Dateityp
Gebäudetechnik Armaturen und Systeme
pdf (15,76 MB)
Prospekt KTS Frischwasserstation (M) PRO
pdf (2,91 MB)
Technische Informationen
Dateityp
Ersatzteilhandbuch 2024
pdf (4,88 MB)
Konformitätserklärung KTS ThermoTank
pdf (0,06 MB)