/media/crossbase/fot_pro_per_56001__sall__ainfs__v1.jpg_lj_366x382.jpg
/media/crossbase/zei_pro_sch_56001__sall__ainfs__v1.jpg_lj_366x382.jpg
/media/crossbase/fot_pro_per_56001__sall__ainfs__v1.jpg_lj_366x382.jpg
/media/crossbase/zei_pro_sch_56001__sall__ainfs__v1.jpg_lj_366x382.jpg

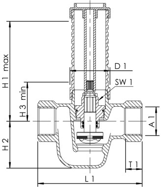
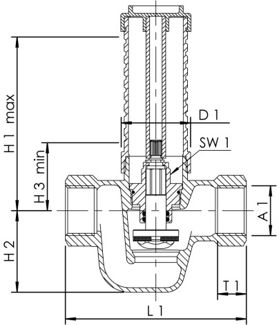
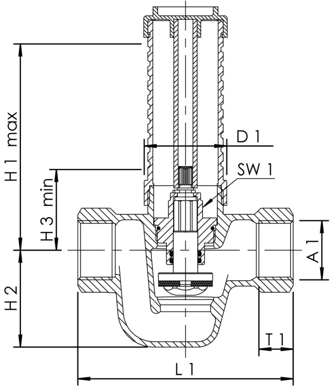
UP-PLUS Unterputzventil-Grundkörper, IG

Figur 560 01

  • mediumberührte Metallteile aus entzinkungsfreiem und korrosionsbeständigem Rotguss, beständig gegen aggressives Wasser
  • wartungsfreie EPDM-Spindelabdichtung
  • EPDM-Sitzdichtung

Produktmerkmale

  • mediumberührte Metallteile aus entzinkungsfreiem und korrosionsbeständigem Rotguss, beständig gegen aggressives Wasser
  • wartungsfreie EPDM-Spindelabdichtung
  • EPDM-Sitzdichtung
  • Kegel aus Edelstahl
  • stufenlos kürzbarer Kunststoffschaft
  • verlängerbar durch optional erhältliches Verlängerungsset
  • Innengewinde
  • totraumfrei
  • mit Absperr-, Regulier- und Voreinstellfunktion

Normen & Zulassungen

  • DVGW-Zulassung
  • nach UBA KTW BWGL
  • nach UBA BWGL Metalle
  • Schallschutzzulassung nach DIN EN ISO 3822 Klasse 1
  • DIN EN 1213
  • ÜA-Reg.-Nr. R-15.2.3-21-17048, WIEN-ZERT

Technische Daten

  • max. Einbautiefe 110 mm
  • Druckstufe PN 16
  • max. Betriebstemperatur 100 °C
/media/crossbase/zei_pro_sch_56001__sall__ainfs__v1.jpg_lj_404xy.jpg
Bestellnr. DN A1 D1
(mm)
H1
(mm)
H2
(mm)
H3
(mm)
L1
(mm)
SW1
(mm)
T1
(mm)
Zeta kvs
(m³/h)
kg
5600101500 15 Rp 1/2 38,5 110 37 55 80 17 15 2,7 5,4 0,56
5600102000 20 Rp 3/4 38,5 110 35 55 90 17 16,3 6,9 6 0,62
5600102500 25 Rp 1 46 115 54 55 120 17 19,1 4 12,3 1,12
5600103200 32 Rp 1 1/4 46 115 53 55 124 17 21,4 5,7 16,9 1,33

CAD Modelle & Kennlinien

Downloads

Datenblatt
Dateityp
Produktdatenblatt
pdf
Anleitung
Dateityp
Einbau- und Bedienungsanleitung UP-PLUS Unterputzventile
pdf (1,11 MB)
Prospekte
Dateityp
Gebäudetechnik Armaturen und Systeme
pdf (15,76 MB)
Technische Informationen
Dateityp
Produktdaten nach VDI 3805, Blatt 17
zip (0,1 MB)
Durchflussdiagramme UP-PLUS Unterputzventile
pdf (0,11 MB)
Ersatzteilhandbuch 2024
pdf (4,88 MB)