/media/crossbase/fot_pro_per_55001__sall__ainfs__v1.jpg_lj_366x382.jpg
/media/crossbase/zei_pro_sch_55001015__sall__ainfs__v1.jpg_lj_366x382.jpg
/media/crossbase/fot_pro_per_55001__sall__ainfs__v1.jpg_lj_366x382.jpg
/media/crossbase/zei_pro_sch_55001015__sall__ainfs__v1.jpg_lj_366x382.jpg

ThermoTrenner

Figur 550 01

  • zur Vermeidung des Wärmeübergangs von Trinkwasser warm (PWH) nach Trinkwasser kalt (PWC) an Mischarmaturen
  • Montageblock eingeschäumt in druck- und zugfestem PU-Hartschaum
  • mediumberührte Metallteile aus entzinkungsfreiem und korrosionsbeständigem Rotguss, beständig gegen aggressives Wasser

Produktmerkmale

  • zur Vermeidung des Wärmeübergangs von Trinkwasser warm (PWH) nach Trinkwasser kalt (PWC) an Mischarmaturen
  • Montageblock eingeschäumt in druck- und zugfestem PU-Hartschaum
  • mediumberührte Metallteile aus entzinkungsfreiem und korrosionsbeständigem Rotguss, beständig gegen aggressives Wasser
  • einbaufertig, geeignet für alle handelsüblichen Vorwandelemente
  • schallentkoppelt
  • teilbar für abweichende Stichmaße
  • Innengewinde

Normen & Zulassungen

  • Verbindungen nach DVGW W534
  • nach UBA KTW BWGL
  • nach UBA BWGL Metalle
  • zur Einhaltung der Anforderung gemäß GEG 2023
  • Baustoffklasse B2 nach DIN 4102
  • UBA BWGL Metalle & DVGW W 551-8
  • ÜA-Reg.-Nr. R-15.2.3-21-17048, WIEN-ZERT

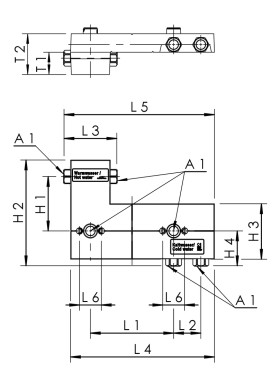
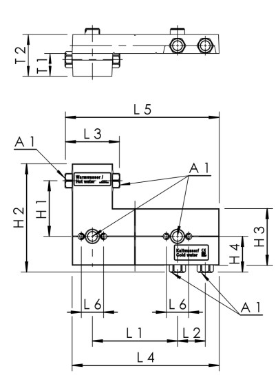
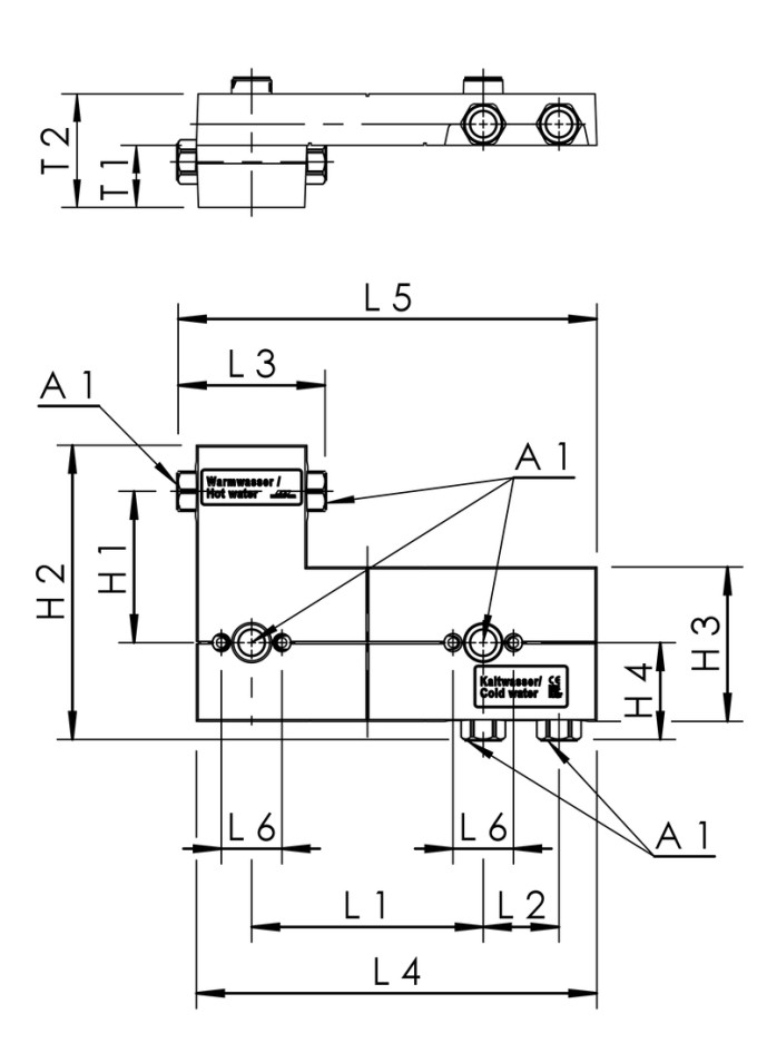
Technische Daten

  • Stichmaß 150 mm
  • Druckstufe PN 10
  • max. Betriebstemperatur 70 °C
  • kurzfristige Spitzentemperatur 95 °C
/media/crossbase/zei_pro_sch_55001015__sall__ainfs__v1.jpg_lj_404xy.jpg
Bestellnr. DN A1 H1
(mm)
H2
(mm)
H3
(mm)
H4
(mm)
L1
(mm)
L2
(mm)
L3
(mm)
L4
(mm)
L5
(mm)
L6
(mm)
T1
(mm)
T2
(mm)
kg
5500101500 15 Rp 1/2 100 194,5 102 64 153 50 97 264,5 276,5 40 41 75 1,28

CAD Modelle

Bestellnr. DN CAD Modell
5500101500 15 3D Daten anzeigen

Downloads

Datenblatt
Dateityp
Produktdatenblatt
pdf
Anleitung
Dateityp
Einbau- und Bedienungsanleitung Thermotrenner-Montageblock
pdf (3,2 MB)
Prospekte
Dateityp
Gebäudetechnik Armaturen und Systeme
pdf (15,76 MB)
Prospekt ThermoTrenner
pdf (0,24 MB)
Technische Informationen
Dateityp
Ersatzteilhandbuch 2024
pdf (4,88 MB)