/media/crossbase/fot_pro_per_188__sall__ainfs__v1.jpg_lj_366x382.jpg
/media/crossbase/zei_pro_sch_18801__sall__ainfs__v1.jpg_lj_366x382.jpg
/media/crossbase/fot_pro_per_188__sall__ainfs__v1.jpg_lj_366x382.jpg
/media/crossbase/zei_pro_sch_18801__sall__ainfs__v1.jpg_lj_366x382.jpg

Probenahmeventil mit RV für Eckventil am Waschtisch

Figur 188 01

  • zur Probenahme von Trinkwasser, Bestimmung mikrobiologischer Parameter nach TrinkwV
  • zum einfachen Nachrüsten am Ausgang des Eckventils
  • passend für Eckventile mit abgehender Anschlussleitung 10 mm in Richtung Entnahmearmatur

Produktmerkmale

  • zur Probenahme von Trinkwasser, Bestimmung mikrobiologischer Parameter nach TrinkwV
  • zum einfachen Nachrüsten am Ausgang des Eckventils
  • passend für Eckventile mit abgehender Anschlussleitung 10 mm in Richtung Entnahmearmatur
  • abflammbarer und drehbarer Edelstahl-Auslaufbogen
  • Ventil komplett verchromt
  • PTFE-Sitzdichtung
  • Eingang 10 x 1,25 Rohr, Ausgang G 3/8 AG mit zugfester Messing-Konus-Quetschverschraubung mit Längenausgleich
  • mit integriertem ausgangsseitigem Rückflussverhinderer Typ EB nach DIN EN 1717
  • absperrbar mit Innensechskantschlüssel SW 5
  • aus Messing, Oberfläche verchromt
  • totraumfrei
  • inkl. Innensechskantschlüssel

Normen & Zulassungen

  • DVGW-Zulassung
  • nach UBA KTW BWGL
  • nach UBA BWGL Metalle
  • UBA BWGL Metalle & DVGW W 551-8

Technische Daten

  • Druckstufe PN 10
  • max. Betriebstemperatur 90 °C
/media/crossbase/zei_pro_sch_18801__sall__ainfs__v1.jpg_lj_404xy.jpg
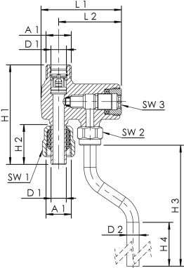
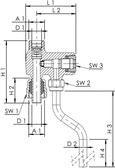
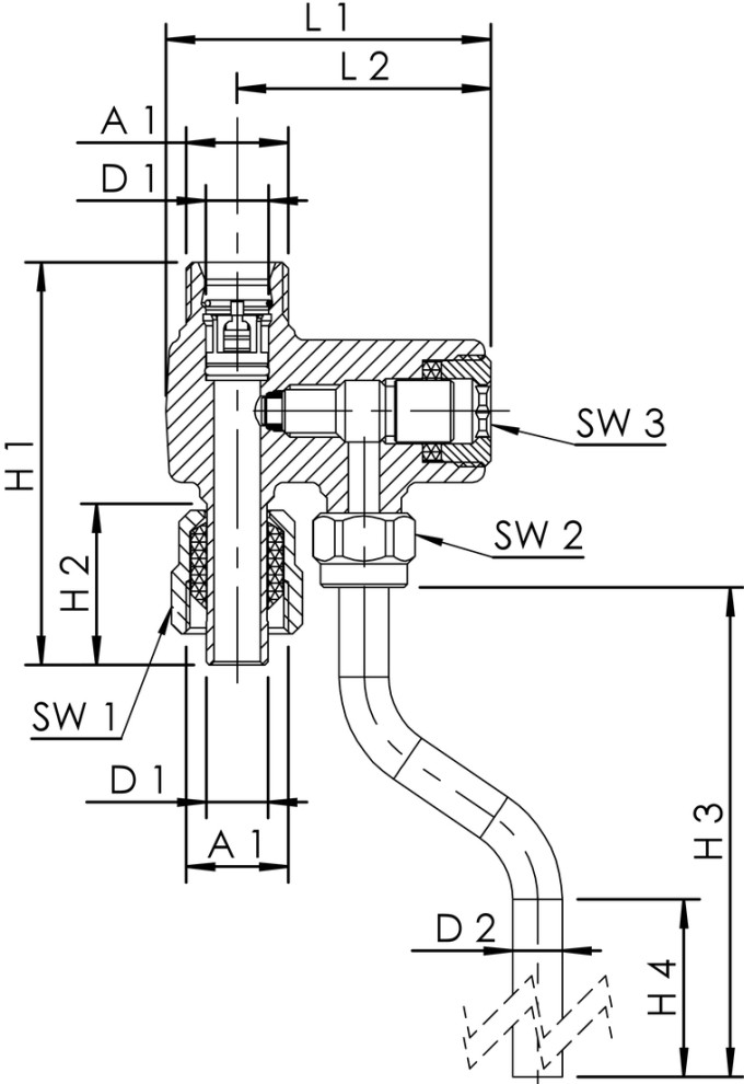
Bestellnr. DN A1 D1
(mm)
D2
(mm)
H1
(mm)
H2
(mm)
H3
(mm)
H4
(mm)
L1
(mm)
L2
(mm)
SW1
(mm)
SW2
(mm)
SW3 kg
1880101000 10 G 3/8 10 8 65 26 161 110,5 52,5 41 19 15 5 0,30

Downloads

Datenblatt
Dateityp
Produktdatenblatt
pdf
Anleitung
Dateityp
Einbau- und Bedienungsanleitung Probenahmeventil für Eckventil am Waschtisch
pdf (1,54 MB)
Prospekte
Dateityp
Gebäudetechnik Armaturen und Systeme
pdf (15,76 MB)
Prospekt Probenahmeventile
pdf (3,64 MB)
Technische Informationen
Dateityp
Ersatzteilhandbuch 2024
pdf (4,88 MB)